Size Guide
Freight Calculator
Currency=US Dollar
English
Français
简体中文
My Account
Login or Create Account
Search
More than 10 million Fashion products.
All Categories
Tea set
Hardware tools
Household accessories
Office equipment
Housewares
Automobile
Digital & Electronics
Promotions
Shipping Cost Calculator
Customer Service
Live Chat
Item(s)
All Categories
Automotive trim products
Rides for personal use
Model cars
Photos
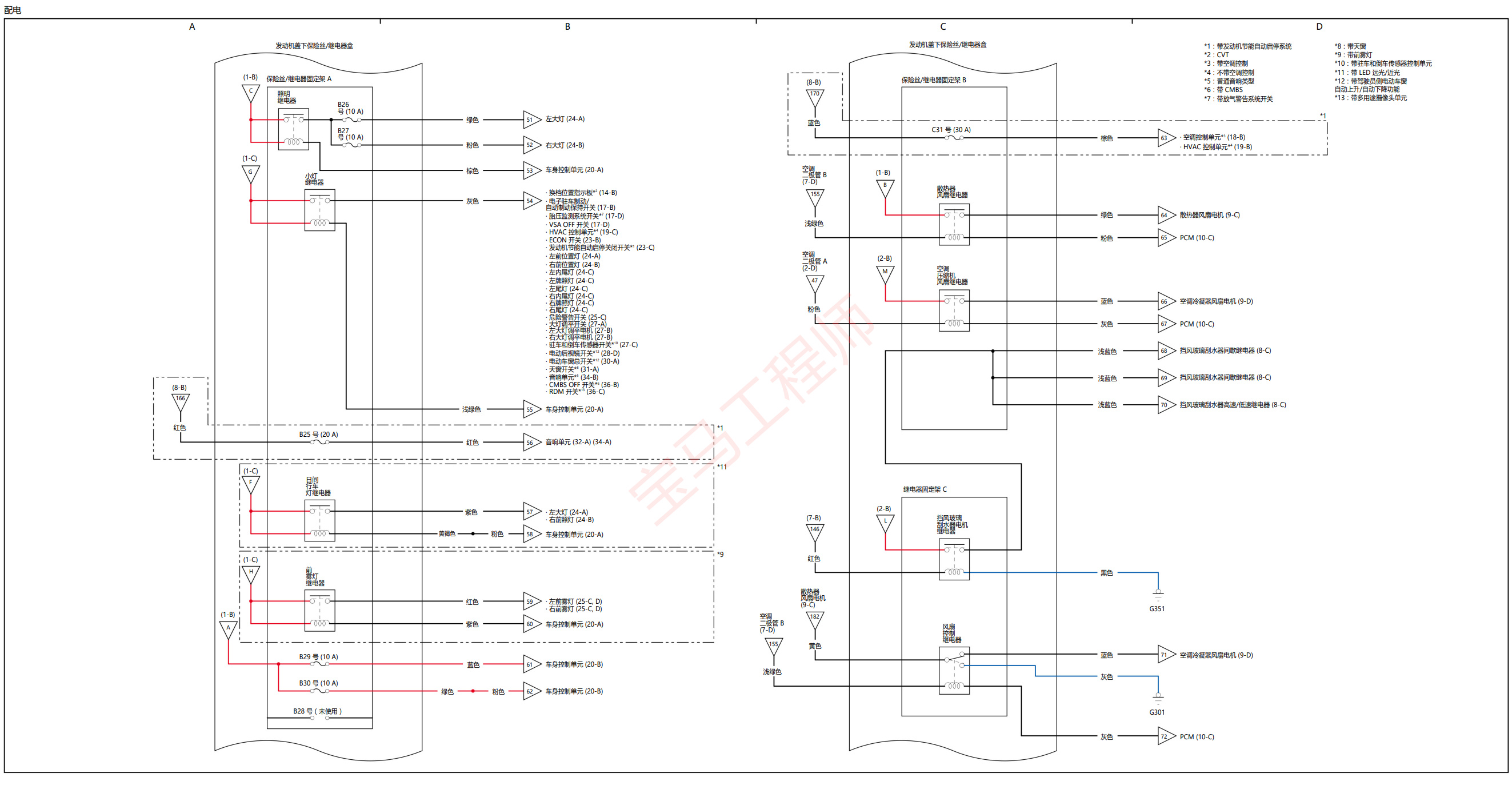
2022 2021 2020 2019 Honda hedoniaDomain repair manual circuit diagram Automotive information-Taobao
Original Price:
6.22
Unit Price:
$
5.80
Wholesale Price:
Quantity
Price (Per lot)
1 - 3
4 - 6
7 - 10
11 - 15
Item#:
756685742172
Location:
China
Selected:
Quantity:
(
24197
available)
Total price:
New item added to your Shopping Cart
You now have
10
items in your Shopping Cart.
Add to My Favorite Item
Tools
Similar Products
Add to My Tags
Contact Now
Item specifics
Specifications
Description
The brand:
other than other
The Model:
Honda in the
Color classification of the color:
Check the information by car repair requirements Please consult the price complete vehicle information
Choose region:
Choose shipping method:
Items weight estimation
0
g, subject to actual weight
Calculated shipping includes heavy logistics. Order more, shipping costs will reduce to 50% discounts!
You can advise shipping services including DHL, ocean shipping, UPS, Fedex, pls contact us!
Yoycart on :
Facebook
Pinterest
Twitter
Top