Size Guide
Freight Calculator
Currency=US Dollar
English
Français
简体中文
My Account
Login or Create Account
Search
More than 10 million Fashion products.
All Categories
Tea set
Hardware tools
Household accessories
Office equipment
Housewares
Automobile
Digital & Electronics
Promotions
Shipping Cost Calculator
Customer Service
Live Chat
Item(s)
All Categories
Hardware tools
Instrumentation
Photos
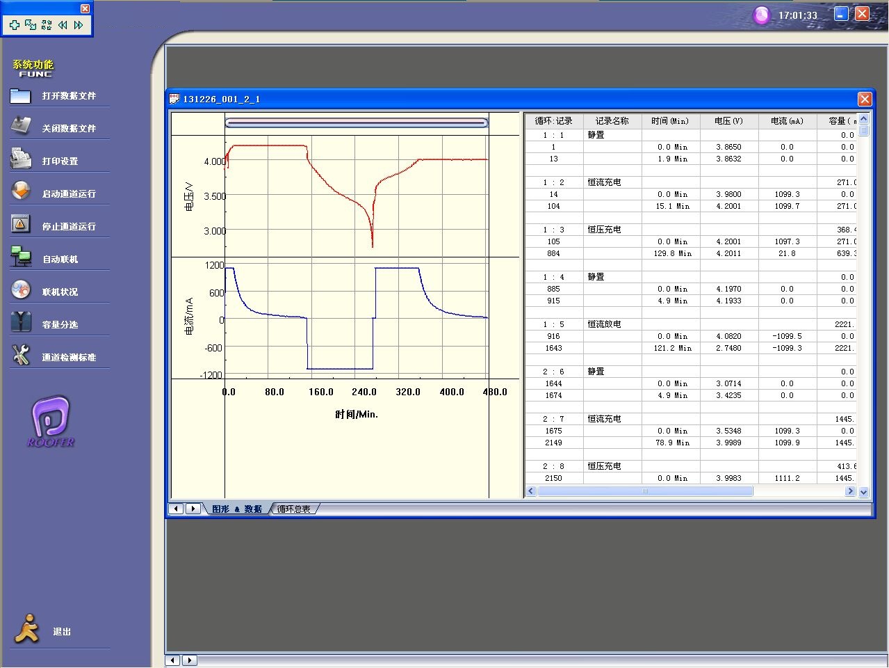
8-channel battery sub-capacity cabinet capacity tester battery performance detection system Sub-content machine detection cabinet Aging Cabinet
Unit Price:
$
13.14
Wholesale Price:
Quantity
Price (Per lot)
1 - 3
4 - 6
7 - 10
11 - 15
Item#:
560958934398
Location:
China
Selected:
Quantity:
(
17582
available)
Total price:
New item added to your Shopping Cart
You now have
10
items in your Shopping Cart.
Add to My Favorite Item
Tools
Similar Products
Add to My Tags
Contact Now
Item specifics
Specifications
Description
The brand:
The one that is unique
The Model:
8 channels
Color classification of the color:
Imperial RS232 transfer USB line 5V3A eight-way sub-case 5V10A 8-way sub-cabinet
The cargo number.:
001
The contents of the renovation and construction work:
Procurement of the main material
Choose region:
Choose shipping method:
Items weight estimation
0
g, subject to actual weight
Calculated shipping includes heavy logistics. Order more, shipping costs will reduce to 50% discounts!
You can advise shipping services including DHL, ocean shipping, UPS, Fedex, pls contact us!
Yoycart on :
Facebook
Pinterest
Twitter
Top