Size Guide
Freight Calculator
Currency=US Dollar
English
Français
简体中文
My Account
Login or Create Account
Search
More than 10 million Fashion products.
All Categories
Tea set
Hardware tools
Household accessories
Office equipment
Housewares
Automobile
Digital & Electronics
Promotions
Shipping Cost Calculator
Customer Service
Live Chat
Item(s)
All Categories
Hardware tools
Fasteners
Nut
Photos
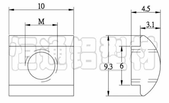
M4M5 slider small step nut 20 aluminium extruded material slider screw cap industrial aluminium extrusion material 20 series special fastener
Unit Price:
$
2.05
Wholesale Price:
Quantity
Price (Per lot)
1 - 3
4 - 6
7 - 10
11 - 15
Item#:
553483047911
Location:
China
Selected:
Quantity:
(
25253
available)
Total price:
New item added to your Shopping Cart
You now have
10
items in your Shopping Cart.
Add to My Favorite Item
Tools
Similar Products
Add to My Tags
Contact Now
Item specifics
Specifications
Description
The brand:
The Hengtong aluminum material
The Model:
T-type nut
material of the material:
carbon steel
Place of origin:
The Chinese mainland
The province:
Guangdong Province
The City of the Land:
Shenzhen City
Color classification of the color:
20HM420HM520HM6
Type of type:
T-type nut
The strength of the product:
other of the other
Mode of action:
It is locked
Standard type:
National Label
Choose region:
Choose shipping method:
Items weight estimation
0
g, subject to actual weight
Calculated shipping includes heavy logistics. Order more, shipping costs will reduce to 50% discounts!
You can advise shipping services including DHL, ocean shipping, UPS, Fedex, pls contact us!
Yoycart on :
Facebook
Pinterest
Twitter
Top