Size Guide
Freight Calculator
Currency=US Dollar
English
Français
简体中文
My Account
Login or Create Account
Search
More than 10 million Fashion products.
From 2026-02-09 to 2026-02-24 is the Chinese new year holiday, the international shipping company will stop working during that time.
As it takes 2-5 days from supplier to our warehouse.
The orders after 2026-02-04 will be sent out on 2026-02-24
All Categories
Tea set
Hardware tools
Household accessories
Office equipment
Housewares
Automobile
Digital & Electronics
Promotions
Shipping Cost Calculator
Customer Service
Live Chat
Item(s)
All Categories
Hardware tools
Fasteners
Bolt
Photos
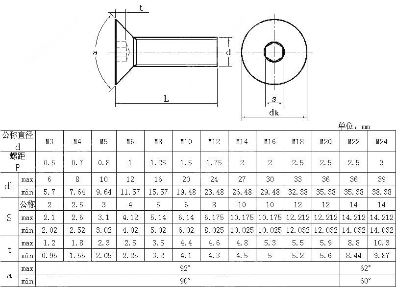
Special offer Blackened 10 grade 9 DIN7991 flat head socket head cap screws (flat cup) countersunk head socket head cap screws M12
Unit Price:
$
2.11
Wholesale Price:
Quantity
Price (Per lot)
1 - 3
4 - 6
7 - 10
11 - 15
Item#:
42078034729
Location:
China
Selected:
Quantity:
(
20100
available)
Total price:
New item added to your Shopping Cart
You now have
10
items in your Shopping Cart.
Add to My Favorite Item
Tools
Similar Products
Add to My Tags
Contact Now
Item specifics
Specifications
Description
brand:
SHCY
Color Classification:
M12*100M12*90M12*80M12*75M12*70M12*65M12*60M12*55M12*50M12*4
Product strength:
10 Level 9
head shape:
Countersunk head hexagon
Standard type:
German standard
Choose region:
Choose shipping method:
Items weight estimation
0
g, subject to actual weight
Calculated shipping includes heavy logistics. Order more, shipping costs will reduce to 50% discounts!
You can advise shipping services including DHL, ocean shipping, UPS, Fedex, pls contact us!
Yoycart on :
Facebook
Pinterest
Twitter
Top